Трап предназначен для установки во внутренних помещениях и отвода в канализацию сточных вод с уровня пола и гидроизоляции с допустимой нагрузкой на решетку до 1.5 тонн
Технические характеристики:
Рабочая температура от -50 до +100°С
Срок службы не менее 50 лет
Особенности монтажа:
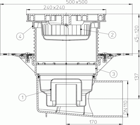
1. Высота надставного элемента трапа регулируется от 45 до 120 мм (подрезается по высоте стяжки). При необходимости увеличить высоту применяют удлинитель HL620.
2. Если трап монтируется в разрыв гидроизоляции, то резиновое уплотнительное кольцо на надставной элемент не ставится. Отсутствие кольца даёт возможность воде, попавшей на гидроизоляцию, беспрепятственно уйти в канализацию через специальные каналы в надставном элементе и корпусе трапа.
3. Если в качестве гидроизоляции используется EPDM или ПВХ мембрана и т.п., то для герметичного соединения гидроизоляции с корпусом трапа необходимо использовать фланец из нержавеющей стали HL86.0, а если используется наплавляемая гидроизоляция (битумное полотно), то HL86.H, которые в комплект трапа не входят и заказываются отдельно.
4. Выпускной патрубок трапа HL615LW предназначен для соединения с любой канализационной раструбной трубой из ПВХ или ПП (REHAU, WAVIN и т.д.). Если для ливневой канализации применяются стальная или чугунная безраструбная труба (SML), необходимо использовать переходник с ПП/ПВХ на Чугун/Сталь.
5. При необходимости создания двух и более слоев пароизоляции/гидроизоляции, отвода воды с нескольких уровней, необходимо использовать дополнительные элементы: HL618(Н), HL620, HL190 и HL86.0 (геотекстиль, EPDM/ПВХ мембраны) или HL86.H (битумное полотно). Это позволит решить проблему отвода воды с покрытия любой конструкции вне зависимости от его состава.
6. При необходимости обогрева корпуса трапа используется комплект для электрообогрева HL609.
Для покупки товара в нашем интернет-магазине выберите понравившийся товар и добавьте его в корзину. Далее перейдите в Корзину и нажмите на «Оформить заказ» или «Быстрый заказ».
Когда оформляете быстрый заказ, напишите ФИО, телефон и e-mail.
Вам перезвонит менеджер и уточнит условия заказа. По результатам разговора вам придет подтверждение оформления товара на почту или через СМС. Теперь останется только ждать доставки и радоваться новой покупке.
Оформление заказа в стандартном режиме выглядит следующим образом:
Заполняете полностью форму по последовательным этапам: адрес, способ доставки, оплаты, данные о себе. Советуем в комментарии к заказу написать информацию, которая поможет курьеру вас найти. Нажмите кнопку «Оформить заказ».
Оплачивайте покупки удобным способом. В интернет-магазине доступно 3 варианта оплаты:
- Наличные при самовывозе или доставке курьером. Специалист свяжется с вами в день доставки, чтобы уточнить время и заранее подготовить сдачу с любой купюры. Вы подписываете товаросопроводительные документы, вносите денежные средства, получаете товар и чек.
- Безналичный расчет при самовывозе или оформлении в интернет-магазине: карты Visa и MasterCard. Чтобы оплатить покупку, система перенаправит вас на сервер системы ASSIST. Здесь нужно ввести номер карты, срок действия и имя держателя.
- Безналичный расчет как юридическое лицо. Для этого необходимо отправить нам по электронной почте реквизиты вашей организации.
Экономьте время на получении заказа. В интернет-магазине доступно 3 варианта доставки:
- Курьерская доставка по Москве и Московской области работает с 9.00 до 19.00. Отдел доставки заранее свяжется с Вами для уточнения деталей. Специалист предложит выбрать удобное время доставки и уточнит адрес.
- Самовывоз из магазина. Список торговых точек для выбора появится в корзине. Когда заказ поступит на склад, вам придет уведомление. Для получения заказа обратитесь к сотруднику отдела продаж.
- Отправка через транспортные компании: "Деловые Линии", "СДЭК", "ПЭК" и другие. Когда заказ будет передан в отделение ТК, вам поступит уведомление и номер отслеживания заказа.
Дополнительная вкладка, для размещения информации о магазине, доставке или любого другого важного контента. Поможет вам ответить на интересующие покупателя вопросы и развеять его сомнения в покупке. Используйте её по своему усмотрению.
Вы можете убрать её или вернуть обратно, изменив одну галочку в настройках компонента. Очень удобно.
