Дизайн-трап с «сухим» сифоном предназначен для установки во внутренних помещениях и отвода в канализацию сточных вод с уровня пола и гидроизоляции.
Технические характеристики:
Максимальная разрешенная нагрузка до 300 кг
Температура отводимой жидкости до 85°С
Срок службы не менее 50 лет
Особенности монтажа:
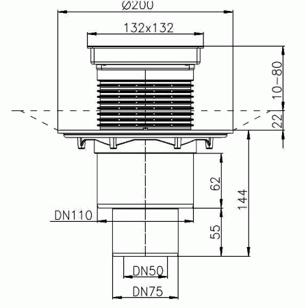
1. Высота надставного элемента трапа регулируется от 10 до 80 мм (подрезается по высоте стяжки). При необходимости увеличить высоту применяются удлинители HL340N.
2. Если трап монтируется в разрыв гидроизоляции, то резиновое уплотнительное кольцо на надставной элемент не ставится. Отсутствие кольца даёт возможность воде, попавшей на гидроизоляцию, беспрепятственно уйти в канализацию через специальные каналы в надставном элементе и корпусе трапа.
3. В зависимости от типа гидроизоляции используются следующие гидроизоляционные комплекты:
| Листовая гидроизоляция
| Наливная (двухкомпонентная)
| |||
| EPDM | ПВХ | ПП | Битумная | |
| HL83 | HL83.P | HL83.PP | HL83.H | HL83.M |
| HL83.0
| ||||
* более подробная информация в каталоге HL22/RUS
4. Выпускной патрубок трапа HL310NPr-3000.33 предназначен для соединения с любой канализационной раструбной трубой из ПВХ или ПП (REHAU, WAVIN и т.д.). Если для ливневой канализации применяются стальная или чугунная безраструбная труба (SML), необходимо использовать переходник с ПП/ПВХ на Чугун/Сталь.
5. До завершения монтажных работ, для исключения попадания посторонних предметов в систему канализации, в корпус трапа устанавливается монтажная заглушка (идёт в комплекте). После установки надставного элемента, который подрезается в зависимости от необходимой высоты, она удаляется. Подрезать корпус нельзя! Это приведёт к снижению пропускной способности трапа.
В надставной элемент также может устанавливаться заглушка для предотвращения его повреждения или деформации. После завершения монтажных работ в надставной элемент устанавливается «сухой» сифон, а затем решетка из нержавеющей стали с покрытием «Темная бронза». Монтажные заглушки подлежат утилизации.
Схема работы «сухого» сифона «Primus»:
![]() | ![]() | ![]() | ![]() |
|
Рис. 1 Сифон во время слива воды | Рис. 2
Пересыхание водяного затвора |
Рис. 3 Сифон в "сухом" состоянии | |
Трап HL310NPr-3000.33 позволяет отводить в канализацию стоки с температурой до 100°С, при условии, что её воздействие имеет кратковременный характер (100-200 литров жидкости с температурой не более 100°С). Повышение температуры сливаемой жидкости до 100°С не влияет на пропускную способность трапа и его работоспособность, так как основной рабочий элемент трапа – сифон выполнен из полипропилена (рабочая температура которого не должна превышать 100°С). В этом случае снижается только максимально допустимая нагрузка на трап (так как корпус трапа исполняет роль несущего силового элемента), она не должна превышать 150 кг.
Для покупки товара в нашем интернет-магазине выберите понравившийся товар и добавьте его в корзину. Далее перейдите в Корзину и нажмите на «Оформить заказ» или «Быстрый заказ».
Когда оформляете быстрый заказ, напишите ФИО, телефон и e-mail.
Вам перезвонит менеджер и уточнит условия заказа. По результатам разговора вам придет подтверждение оформления товара на почту или через СМС. Теперь останется только ждать доставки и радоваться новой покупке.
Оформление заказа в стандартном режиме выглядит следующим образом:
Заполняете полностью форму по последовательным этапам: адрес, способ доставки, оплаты, данные о себе. Советуем в комментарии к заказу написать информацию, которая поможет курьеру вас найти. Нажмите кнопку «Оформить заказ».
Оплачивайте покупки удобным способом. В интернет-магазине доступно 3 варианта оплаты:
- Наличные при самовывозе или доставке курьером. Специалист свяжется с вами в день доставки, чтобы уточнить время и заранее подготовить сдачу с любой купюры. Вы подписываете товаросопроводительные документы, вносите денежные средства, получаете товар и чек.
- Безналичный расчет при самовывозе или оформлении в интернет-магазине: карты Visa и MasterCard. Чтобы оплатить покупку, система перенаправит вас на сервер системы ASSIST. Здесь нужно ввести номер карты, срок действия и имя держателя.
- Безналичный расчет как юридическое лицо. Для этого необходимо отправить нам по электронной почте реквизиты вашей организации.
Экономьте время на получении заказа. В интернет-магазине доступно 3 варианта доставки:
- Курьерская доставка по Москве и Московской области работает с 9.00 до 19.00. Отдел доставки заранее свяжется с Вами для уточнения деталей. Специалист предложит выбрать удобное время доставки и уточнит адрес.
- Самовывоз из магазина. Список торговых точек для выбора появится в корзине. Когда заказ поступит на склад, вам придет уведомление. Для получения заказа обратитесь к сотруднику отдела продаж.
- Отправка через транспортные компании: "Деловые Линии", "СДЭК", "ПЭК" и другие. Когда заказ будет передан в отделение ТК, вам поступит уведомление и номер отслеживания заказа.
Дополнительная вкладка, для размещения информации о магазине, доставке или любого другого важного контента. Поможет вам ответить на интересующие покупателя вопросы и развеять его сомнения в покупке. Используйте её по своему усмотрению.
Вы можете убрать её или вернуть обратно, изменив одну галочку в настройках компонента. Очень удобно.




